Ale trafiłem na fotę #kiedystobylo. Nocka w pięciu, jakieś 18 lat temu. Ten kineskopowy z tyłu to mój. Pamiętam Battlefield 1942 z modem Desert Combat, no i oczywiście CS, grało się to miesiącami.
#gry

Ale trafiłem na fotę #kiedystobylo. Nocka w pięciu, jakieś 18 lat temu. Ten kineskopowy z tyłu to mój. Pamiętam Battlefield 1942 z modem Desert Combat, no i oczywiście CS, grało się to miesiącami.
#gry

Zaloguj się aby komentować
Zaloguj się aby komentować
Chleb z masłem śmietaną i cukrem. Ehh kiedy ostatni raz cię miałem w mordzie.
#gownowpis #jedzenie #gotujzhejto #gotowanie #kiedystobylo

Zaloguj się aby komentować
#metal #rock #muzyka #kiedystobylo
https://www.youtube.com/watch?v=8MYM9OU6cuE&list=RD8MYM9OU6cuE&start_radio=1
Zaloguj się aby komentować
Matka wie,ze cpiesz? #gownowpis #kiedystobylo
Zaloguj się aby komentować
Dokładnie 26 lat temu czyli 1 października 1999r swoją premierę miał dragon ball z polskim lektorem, emitowany na kanale RTL7
https://youtu.be/ni-ZxDx5Ra4?si=FxUiFgXgOpD9mSYU
1 października 1999 r. odbyła się wielka, polska, telewizyjna premiera anime Dragon Ball. Cechą charakterystyczną tej serii był francuski dubbing, co miało związek z belgijskimi korzeniami koncernu RTL, a także faktem, że w latach 90. Dragon Ball w Europie był dystrybuowany wyłącznie przez francuski oddział AB Productions oraz polskim lektorem Zbigniewem Dobrzańskim. Seria ta początkowo miała swoją emisję od poniedziałku do piątku o godzinie 15:00 jednak wraz z ubogacaniem czasu antenowego RTL 7 godziny ulegały zmianie. W związku z ogromnym zainteresowanie anime stacja zdecydowała się na zakup serii pierwszej, „Z” oraz „GT”. Podwojeniu nastąpiła również liczba emitowanych dziennych odcinków. Popularność Dragon Ball w Polsce spowodowała również rozwój całego pasma animacji nadawanych w cyklu Odjazdowe kreskówki. Należy dodać, że dość późno „Smocze Kule” trafiły do Polski. Japońska premiera tego anime miała miejsce 26 lutego 1986 r. Ciekawostką jest, że około rok przed „Siódemką” starania o pozyskanie serii porzuciła stacja „Polsat” co jak się okazało niedługo później było „marketingowym strzałem w stopę”.
#ciekawostki #dragonball #starebajki #kiedystobylo
Zaloguj się aby komentować
#kiedystobylo #piwo
Ale mi się przypomniało, to było prawie 20 lat temu...
Zaloguj się aby komentować
Zaloguj się aby komentować
Muzyka. Spec dedykacja dla @onpanopticon , ktory zalega...acz przypomniał mi dni temu kilka jaką to wpaniałą ekipą (onegdaj) był Clawfinger. Tutaj warjacja czyjaś bo official chyba nigdy nie wyszedł (ciezko sie nie identyfikować z tą interpretacją utworu) #grube
https://youtu.be/bR_YfSN59Bc?feature=shared
Imo "Use Your Brain" to placek ponadczasowy... Te dwa pierwsze były kiedyśtam ciezkie do dostania u nas, ale mialem juz nagrywarke i kumpla, ktoremu wuja ze stanów wysyłał CeDeki.
A okładki / wkladki do płyt robilem sobie na odpadach papieru z profesjonalnych ploterów do map bo akurat bylem we firmie projektowej adminem infry. ¯\_(ツ)_/¯ #stareludzia #muzyka #kiedystobylo


Zaloguj się aby komentować
Odkad google mnie straszy,ze mi brakuje na gmailu pamieci postanowilem pousuwac co starsze duze maile i natrafilem na zdjecia mojej hondy po wypadku :( S*"#$ na mnie wjechal,a ja wyladowalem na drzewie :( Wspanialy to byl woz, silnik 1.5 vtec 114 km.
#motoryzacja #kiedystobylo


Zaloguj się aby komentować
Zaloguj się aby komentować
16 lat temu, piętnasty września pamietam ten dzień jak skurwol tabliczkę mnożenia, średnio.
Dzień deszczowy dość zimny a ja na skuterze 40 km darłem na egzamin na prawo jazdy. Dla pewności wyjechałem z domu jakieś 2 godziny wcześniej żeby dojechać na spokojnie.
No i wtedy zdalem, co prawda za czwartym podejściem ale dzięki temu bardzo szanuje prawko bo wiem ile mnie kosztowało wyrzeczeń.
Pamietam kilka miejsc gdzie robiłem zadania egzaminacyjne. Ale jak sobie przypomnę jak wracałem w skowronkach to tak sie samo ciśnie na usta że kiedyś to było xD
A jak sie wspaniale skuterem jeździ po mieście to do tej pory pamiętam.
#gownowpis #kiedystobylo #motoryzacja

Zaloguj się aby komentować
Kiedyś to było, nie to co teraz
#urodziny #kiedystobylo jeszcze #hejto30plus

@bori najlepszego gówniarzu
@bori Prawie tyle lat co katastrofa w Czarnobylu
@bori Zdrówka młody
Tak sobie teraz pomyślałem, że Ty jesteś młodszy ode mnie o 4 lata, a moja żona jest młodsza od Ciebie o 4 lata xD
Zaloguj się aby komentować
Sadistic zszedł na psy, dodalem mocny materiał w zasadzie jak na kiedyjszego sadola normalny, to zleciał raz dwa.
Źle się dzieje w internecie oj źle
#gownowpis #internet #kiedystobylo #zalesie

@starebabyjebacpradem ale dodales to na harda i spadlo?
XD to tak jakby na basenie był zakaz pływania
Bywałem na tym portalu z 10 lat temu. Jak przypomniałem sobie o nim z rok temu, to z dumą odkryłem, że aktualni użytkownicy są chyba głupsi od tych z wykopu.
Zaloguj się aby komentować
Ej #lublin pamiętacie?
#kiedystobylo #pojazdyzabytkowe #klasycznamotoryzacja
Dla tych co nie wiedzą o co chodzi. To typ w takim simsonie Duo sprzedawał bilety na komunikację miejską

@cebulaZrosolu oj tak xD i obok zawsze się kręcili "lotni" handlarze fajek xD
Zawsze jak czytam, słyszę: ,,pamiętacie" , to w głowie mi leci:
,,Pamiętacie? Dzieciństwo, pierwsze dziewczyny
Pamiętacie? Czy już zapomnieliście?
Problemy, te wszystkie historie, przyjaźnie.
Pamiętacie? Czy już zapomnieliście?"
@cebulaZrosolu chyba coś kojarzę... Aaa przejście pod zamek spod pksu
Zaloguj się aby komentować
Co robiliście 11 września 2001 roku gdy zaatakowano WTC?
Ja pamiętam jak wróciłem z podbazy i w telewizji na wszystkich kanałach tv pokazywali płonące wieże, przebitki jak samolot uderzał we wieże oraz zbliżenia na ludzi machajacych z okien liczacych na jakąkolwiek pomoc. A później jak sie wieże zawalają
Słucham państwa, jak zapamiętaliście ten dzień?
#gownowpis #pytanie #kiedystobylo
Grałem w CSa jak ktoś na czacie napisał że awionetka uderzyła w WTC i się śmialiśmy że terrorists win! A potem się rozkręciło i już nikt się nie śmiał. Spóźniłem się do pracy, miałem na 17:00
@starebabyjebacpradem pamiętam moje wkurwienie na arabów do tego stopnia że nawet w grach strzelałem do nich z przyjemnością.
Po latach zrozumiałem, że tak to miało właśnie zadziałać...
Siedziałem w piwnicy i kręciłem drut na kolczugę.
To była piwnica w bloku.
Matka zbiegła po schodach że "Nowy Jork się pali"
Zaloguj się aby komentować
@Yes_Man a weź teraz wypuść take reklame. Instant pozew i odszkodowanie do piątego pokolenia wstecz
@Yes_Man Pepsi się zjebała.
Wolę colę.
Ta reklama latala u mnie w gimnazjum na płycie z różnymi śmiesznymi rzeczami, oprawiona była w piękną okładkę osamy z członkiem na głowie
Internet na miarę naszych czasów
Zaloguj się aby komentować
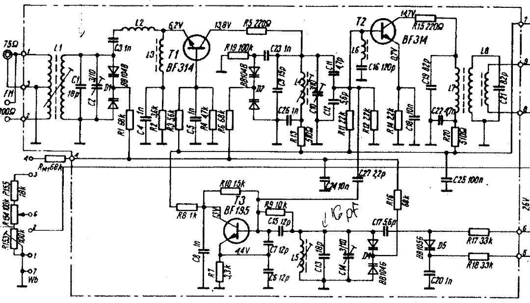
Ktoś pamięta jeszcze czasy, gdy do urządzeń elektronicznych dodawano schematy?
Mam gdzieś na strychu takie cudo jak tuner-wzmacniacz Aida 103 Unitry. Cały czas działa, będzie ze 30 lat. Łezka się w oku kręci.
#hydepark #kiedystobylo


@twardy_kal_owiec Miałem taki tylko nazywał się Tosca 303
@twardy_kal_owiec To były na tyle proste urządzenia, że dało się dołączyć schemat. Teraz byle gówno mini arduino ma bardziej skomplikowany schemat. Komponenty 100x mniejsze, więc i tak większość ludzi tego nie będzie naprawiać w domu.
Także mimo, że te nowe gówno sprzęty się psują, a firmom zależy, żebyś ich nie naprawiał, to jednak niedorzucania schematów wszystkiego (którzy chińczycy by przyjmowali z pocałowaniem ręki, żeby skopiować Twój kosztujący fortunę R&D za darmoszkę w 2 tygodnie) hejtować nie będę.
@twardy_kal_owiec moi rodzice mieli wieżę Diora. Dobrze działało tylko radio i tuner, magnetofon j⁎⁎ał się jak zły. Za ten hajs co rodzice włożyli w jego naprawy kupiliby drugi zestaw
Zaloguj się aby komentować
Halloo a jakies dziendobry czy cos?? Po 3 miesiacach wchodzi jak do stodoly
Zaloguj się aby komentować
#muzyka #lata30 #kiedystobylo #natura #las
Po dobrym spacerze dobrze jest posłuchać dobrej muzyki.
Przyjaciel ostatnio mnie zaraził, lubi muzykę z dawnych lat
Ale jak tu nie docenić.
Adolf Dymsza - "A u mnie siup" (1936r.)
"...A u mnie siup, a u mnie cyk
Smutek był i smutek momentalnie znikł
Bo u mnie siup i raz, i dwa
I człowiek swój humorek znowu ma"
https://www.youtube.com/watch?v=t_4tRtbKjVU&list=RDt_4tRtbKjVU&start_radio=1


Zaloguj się aby komentować